Alfa Romeo
Offside Door Lock Button - GTV & Spider
Offside Door Lock Button - GTV & Spider
SKU:PT0000060589085
Regular price
£59.16 EX VAT
£70.99 INC VAT
Regular price
£70.99 GBP
Unit price
per
£59.16 EX VAT
£70.99 INC VAT
Taxes included.
Shipping calculated at checkout.
Out of stock
Couldn't load pickup availability
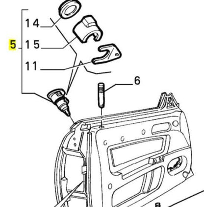
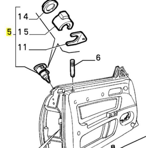
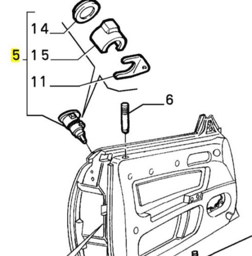
This is a brand new, genuine Alfa Romeo Offside / Right hand door lock button to fit the following models:
- Alfa Romeo 916 GTV
- Alfa Romeo 916 Spider
(Please note: This does not included the lock barrel)
Special order item, Please contact us for an eta
60589085


